菜单
close
浙江嘉丰动力科技主营产品:永磁异步感应水冷电机、永磁同步水冷电机、无磁同步电机、伺服电机-
188 6833 5070
EN

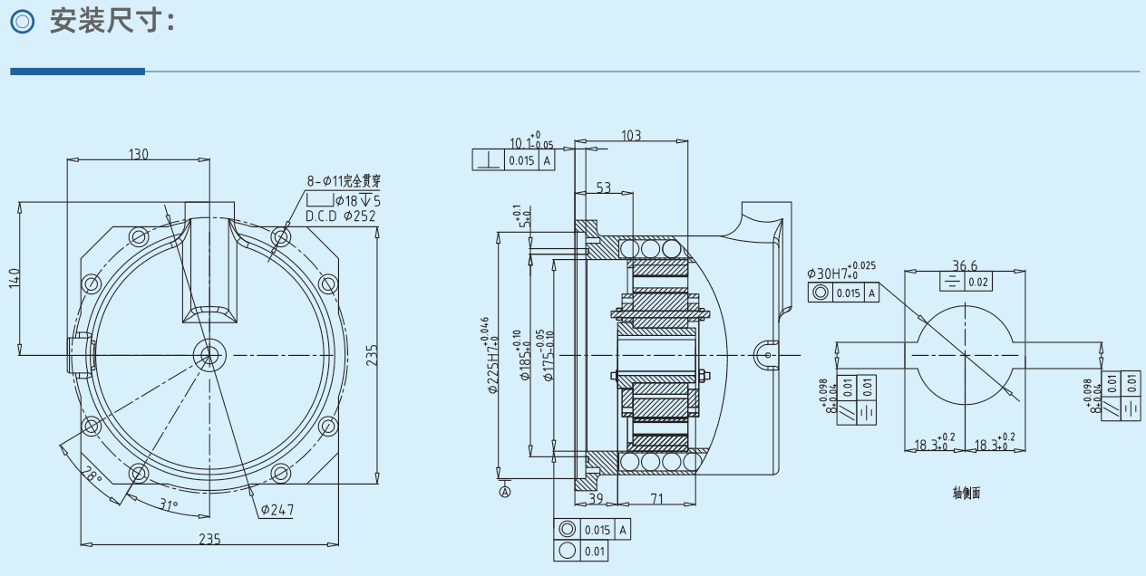
全密封水冷永磁同步电机(悬臂式)

44.jpg

 电机特点

                        1、转子直接与真空泵连接,无需联轴器。

                        2、高效散热,持续大功率输出。

                        3、双倍扩速:3000-6000rpm。

                        4、100%全密封设计。

                        5、可定制化。

应用行业

                         如光伏、半导体、新能源电池、化工、食品,医疗等。

75db.jpg

c03.png

相关产品

轮毂电机
轮毂电机

轮毂电机

无人驾驶方向盘控制电机
无人驾驶方向盘控制电机

无人驾驶方向盘控制电机

全密封水冷永磁同步一体式电机
全密封水冷永磁同步一体式电机

全密封水冷永磁同步一体式电机

全密封水冷永磁同步电机(悬臂式,不锈钢壳)
全密封水冷永磁同步电机(悬臂式,不锈钢壳)

全密封水冷永磁同步电机(悬臂式,不锈···

全密封水冷永磁同步电机(不锈钢壳)
全密封水冷永磁同步电机(不锈钢壳)

全密封水冷永磁同步电机(不锈钢壳)

全密封水冷永磁同步电机(悬臂式)
全密封水冷永磁同步电机(悬臂式)

全密封水冷永磁同步电机(悬臂式)

Copyright © 浙江嘉丰动力科技有限公司