菜单
close
浙江嘉丰动力科技主营产品:永磁异步感应水冷电机、永磁同步水冷电机、无磁同步电机、伺服电机-
188 6833 5070
EN

全密封水冷感应电机

44.jpg

 电机特点

                      1、高效均匀散热与温度控制稳定。

                      2、宽范围负载维持高效。

                      3、100%全密封设计

                      4、低噪音与振动。

                      5、可定制化。

应用行业

                       如光伏、半导体、新能源电池、化工、食品、医疗等。

2.png

3.png

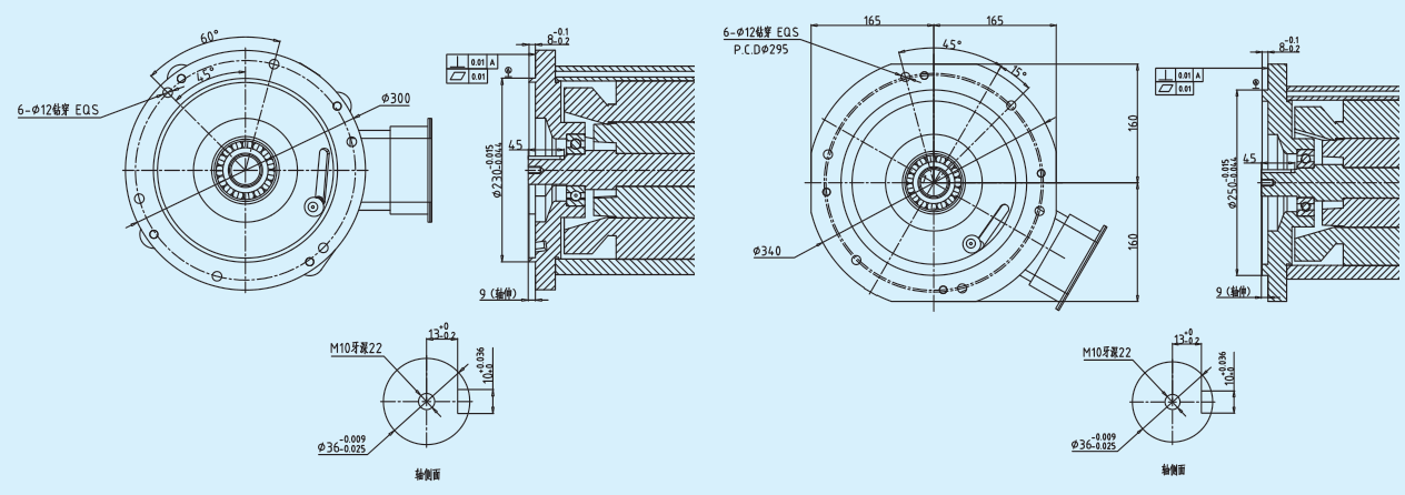
 水冷电机外形和安装尺寸

1758003034116792.jpg

水冷感应电机安装尺寸(B5)

水冷感应电机安装尺寸.jpg

相关产品

轮毂电机
轮毂电机

轮毂电机

无人驾驶方向盘控制电机
无人驾驶方向盘控制电机

无人驾驶方向盘控制电机

全密封水冷永磁同步一体式电机
全密封水冷永磁同步一体式电机

全密封水冷永磁同步一体式电机

全密封水冷永磁同步电机(悬臂式,不锈钢壳)
全密封水冷永磁同步电机(悬臂式,不锈钢壳)

全密封水冷永磁同步电机(悬臂式,不锈···

全密封水冷永磁同步电机(不锈钢壳)
全密封水冷永磁同步电机(不锈钢壳)

全密封水冷永磁同步电机(不锈钢壳)

全密封水冷永磁同步电机(悬臂式)
全密封水冷永磁同步电机(悬臂式)

全密封水冷永磁同步电机(悬臂式)

Copyright © 浙江嘉丰动力科技有限公司